征途国际

WOER (002130): 0 0 (0%)

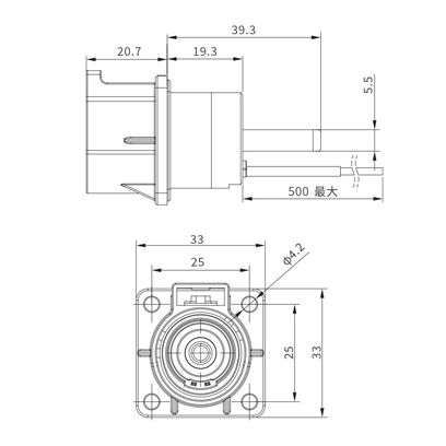
HPL200系列单芯200A带高压互锁连接器

应用领域:

主要应用在高压盒、电控、电池上。

下载手册

多种防误插设计,弯头尾部可正反转向90°,使用过程中能够很好的方便布线,在紧凑的空间内,增加了高压互锁设计,能够在插合过程中起到保护作用。

HPL200系列连接器主要应用在高压盒、电控、电池上。




1、电气特性

■ 额定电压:1000V DC

■ 额定电流(工作环境温度30℃): 

                         80A(适配电缆16mm²)

         120A(适配电缆25mm²)          

                         150A(适配电缆35mm²)         

                         200A(适配电缆50mm²)

■ 绝缘电阻:2000MΩ

■ 耐  压:3000V AC

2、其他参数

■防护等级:IP67

■环境温度:-40+125

■连接器芯数:单芯

■配线规格:1650mm²

■电磁屏蔽:360°屏蔽

机械寿命:≥200

3、材料及表面处理

壳体材料:铜合金

■表面处理:镀银

■密封体:硅橡胶



插头型号明细

序号订货型号产品描述适配线缆规格
1

HPL18*-200-16

直头*键位无高压互锁插头-16mm²

16mm²屏蔽线

2

HPL18*-200-25

直头*键位无高压互锁插头-25mm²

25mm²屏蔽线

3

HPL18*-200-35

直头*键位无高压互锁插头-35mm²

35mm²屏蔽线

4

HPL18*-200-50

直头*键位无高压互锁插头-50mm²

50mm²屏蔽线

5

HPL28*-200-16

弯头*键位无高压互锁插头-16mm²

16mm²屏蔽线

6

HPL28*-200-25

弯头*键位无高压互锁插头-25mm²

25mm²屏蔽线

7

HPL28*-200-35

弯头*键位无高压互锁插头-35mm²

35mm²屏蔽线

8

HPL28*-200-50

弯头*键位无高压互锁插头-50mm²

50mm²屏蔽线

9

HPL18*-201-16

直头*键位带高压互锁插头-16mm²

16mm²屏蔽线

10

HPL18*-201-25

直头*键位带高压互锁插头-25mm²

25mm²屏蔽线

11

HPL18*-201-35

直头*键位带高压互锁插头-35mm²

35mm²屏蔽线

12

HPL18*-201-50

直头*键位带高压互锁插头-50mm²

50mm²屏蔽线

13

HPL28*-201-16

弯头*键位带高压互锁插头-16mm²

16mm²屏蔽线

14

HPL28*-201-25

弯头*键位带高压互锁插头-25mm²

25mm²屏蔽线

15

HPL28*-201-35

弯头*键位带高压互锁插头-35mm²

35mm²屏蔽线

16HPL28*-201-50弯头*键位带高压互锁插头-50mm²50mm²屏蔽线

说明:“*”代表键位,有X、Y、W三种键位,每种键位对应一种颜色:X-橙色,Y-黑色,W-红色。

插座型号明细

序号订货型号产品描述尾部孔规格额定电流
1

HPL00*-200-10M8

*键位无高压互锁铜排螺纹孔M8插座

M8

200A

2

HPL00*-201-10M8

*键位带高压互锁铜排螺纹孔M8插座

M8

200A

说明:“*”代表键位,,有X、Y、W三种键位,每种键位对应一种颜色:X-橙色,Y-黑色,W-红色。

选型说明

产品系列  HPL
28  18代表直式插头     28代表弯式插头
X

  防误插键位:X-X键位     橙色     Y-Y键位     黑色     W-W键位     红色

201  高压互锁:HVIL     200-不带高压互锁     201-带高压互锁
50  接线规格:16-适配16平方线缆     25-适配25平方线缆     35-适配35平方 线缆     50-适配50平方线缆
产品系列  HPL
00  00-插座
X

  防误插键位:X-X键位     橙色     Y-Y键位     黑色     W-W键位     红色

201  高压互锁:HVIL     200-不带高压互锁     201-带高压互锁
10M  铜排孔类型:10M-铜排螺纹孔
8  螺纹规格: M8螺纹孔


返回
Tel: 86 755-28299160