征途国际

WOER (002130): 0 0 (0%)

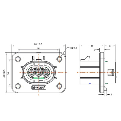
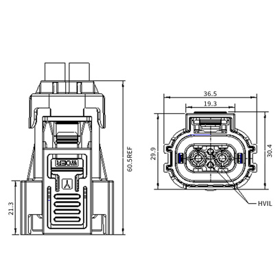
HV280L系列带高压互锁连接器

应用领域:

应用于电动汽车空调、PTC、DC/DC、油泵、气泵、除霜、慢充、PDU等高压小电流设备上。

下载手册

HV280L系列主要应用于电动汽车空调、PTC、DC/DC、油泵、气泵、除霜、慢充、PDU等高压小电流设备上。

该产品为塑胶外壳连接器,具有体积小,重量轻,便于安装,可靠性高。具有多种防误插键位,接线范围大,360°屏蔽等功能。 


1、电气特性

■ 额定电压:800V DC

■ 额定电流(工作环境温度30℃):

                         20A(适配电缆2.5mm²)

         25A(适配电缆4mm²)   

                         40A(适配电缆6mm²)

■ 绝缘电阻:2000MΩ(常态)

■ 耐  压:2750V AC

2、其他参数

■防护等级:IP67

■环境温度:-40+125

■连接器芯数:芯、三芯

■配线规格:2.56mm²

■电磁屏蔽:360°屏蔽

机械寿命:≥200

3、材料及表面处理

壳体材料:PA66+GF25

■阻燃等级:UL94 V-0

插针及插孔材料:铜合金

■表面处理:镀银/镀镍

■密封体:硅橡胶


插头型号明细

序号订货型号产品描述适配线缆规格
1

HV280L62*H02

插头*键位带高压互锁插头

2.5mm²屏蔽线

2

HV280L62*H04

插头*键位带高压互锁插头

4.0mm²屏蔽线

3

HV280L62*H06

插头*键位带高压互锁插头

6.0mm²屏蔽线

4

HV280L62*N02

插头*键位无高压互锁插头

2.5mm²屏蔽线

5

HV280L62*N04

插头*键位无高压互锁插头

4.0mm²屏蔽线

6

HV280L62*N06

插头*键位无高压互锁插头

6.0mm²屏蔽线

7

HV280L63*H02

插头*键位带高压互锁插头

2.5mm²屏蔽线

8

HV280L63*H04

插头*键位带高压互锁插头

4.0mm²屏蔽线

9

HV280L63*H06

插头*键位带高压互锁插头

6.0mm²屏蔽线

10

HV280L63*N02

插头*键位无高压互锁插头

2.5mm²屏蔽线

11

HV280L63*N04

插头*键位无高压互锁插头

4.0mm²屏蔽线

12HV280L63*N06插头*键位无高压互锁插头6.0mm²屏蔽线

插座型号明

序号订货型号产品描述适配线缆规格
1

HV280L02*H02

插座*键位带高压互锁插座

2.5mm²非屏蔽线

2

HV280L02*H04

插座*键位带高压互锁插座

4.0mm²非屏蔽线

3

HV280L062*H06

插座*键位带高压互锁插座

6.0mm²非屏蔽线

4

HV280L02*N02

插座*键位无高压互锁插座

2.5mm²非屏蔽线

5

HV280L02*N04

插座*键位无高压互锁插座

4.0mm²非屏蔽线

6

HV280L02*N06

插座*键位无高压互锁插座

6.0mm²非屏蔽线

7

HV280L03*H02

插座*键位带高压互锁插座

2.5mm²非屏蔽线

8

HV280L03*H04

插座*键位带高压互锁插座

4.0mm²非屏蔽线

9

HV280L03*H06

插座*键位带高压互锁插座

6.0mm²非屏蔽线

10

HV280L03*N02

插座*键位无高压互锁插座

2.5mm²非屏蔽线

11

HV280L03*N04

插座*键位无高压互锁插座

4.0mm²非屏蔽线

12HV280L03*N06插座*键位无高压互锁插座6.0mm²非屏蔽线

选型说明

选型系列HV280L
6262-两芯插头   63-三芯插头   02-两芯插座   03-三芯插座
A键位:A、B、D、E
H高压互锁:H-带高压互锁    N-不带高压互锁
02接线规格:02-2.5mm²,   04-4.0mm²,   06-6.0mm²


返回
Tel: 86 755-28299160 征途国际: